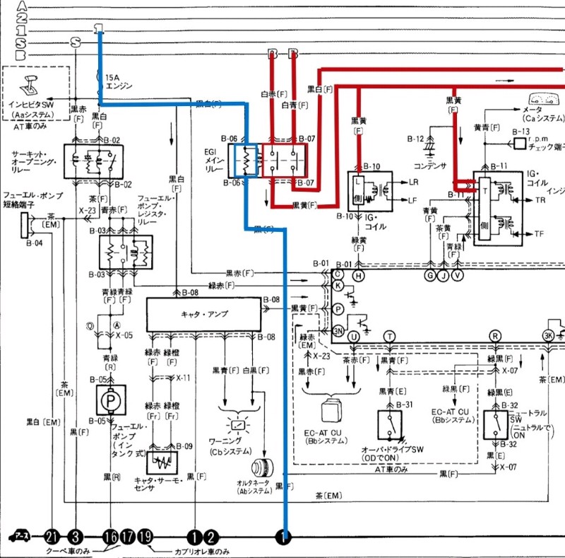
マツダ サバンナ RX-7 電気配線図 ロータリー ターボエンジン 拝啓 マツダ 様 - Project Phoenix
(2316件)
Pontaパス特典
サンキュー配送
7500円(税込)
75ポイント(1%)
Pontaパス会員ならさらに+1%ポイント還元!
送料
(
)
2302
配送情報
お届け予定日:2026.04.25 22:34までにお届け
※一部地域・離島につきましては、表示のお届け予定日期間内にお届けできない場合があります。
ロットナンバー
5012611133
お買い物の前にチェック!
Pontaパス会員なら
ポイント+1%
ポイント+1%
商品説明



※落札前に自己紹介文必読\r・この度はこちらの商品にアクセス頂きましてありがとうございます。\r\r・マツダ サバンナ RX-7 電気配線図 ロータリーターボエンジン\r\r・中古品につき使用感あり、汚れ、多少の破れなどはあると思って下さい\r\r商品状態のランク(ご参考とお考え下さい)\rS 新品\rAA 新品に近く状態が非常に良い\rA 多少の傷などはあるが綺麗\rB 少し目立つ傷などはあるが使用に問題なし\rC 使用には問題ないが目立つ傷がある、\r 見た目を気にしない人向き\rD 変形あり、もしくは補修すれば使用できそう\rJ ジャンク品\r\r・こちらの商品のランクは Cランクになります\r\r・中古品になりますので傷や汚れなどはございます。\r\r・なるべく細かく詳細を記載しておりますが写真には映らないような傷や凹みなどある場合がございますのでご了承下さい\r\r※大変恐れ入りますが運送会社の指定などはできかねますので当方の指定の佐川急便での発送となります \r \r☆送料一覧☆ \r\r★北海道★\r1000円\r\r★北東北地方★\r青森県 岩手県 秋田県\r800円\r\r★南東北地方★\r宮城県 山形県 福島県\r800円\r\r★関東地方★\r茨城県 栃木県 群馬県 埼玉県 千葉県\r東京都 神奈川県\r800円\r\r★中部地方★\r新潟県、富山県、石川県、福井県、山梨県、長野県\r岐阜県、静岡県、愛知県\r800円\r\r★近畿地方★\r三重県、滋賀県、京都府、大阪府、兵庫県、奈良県\r和歌山県\r800円\r\r★中国地方★\r鳥取県、島根県、岡山県、広島県、山口県\r800円\r\r★四国地方★\r徳島県、香川県、愛媛県、高知県\r800円\r\r★北九州地方★\r福岡県、佐賀県、長崎県、大分県\r800円\r\r★南九州地方★\r熊本県 宮崎県 鹿児島県\r800円\r\r・沖縄、離島の方は入札前にご質問下さい。\r(別途お見積もり致します。)
| カテゴリー: | 車・バイク・自転車>>>アクセサリー>>>カタログ・マニュアル |
|---|---|
| 商品の状態: | 傷や汚れあり","多くの人が見てわかるような傷や汚れがある |
| 配送料の負担: | 着払い(購入者負担) |
| 配送の方法: | 未定 |
| 発送元の地域: | 大阪府 |
| 発送までの日数: | 2~3日で発送 |
レビュー
商品の評価:




4.4点(2316件)
- fukumori2156
- 早い対応ありがとうございます。 これからよろしくお願い致します
- マジェ7148
- 安物買いの銭失いでした。 一回使って数分で片方の音が聞こえなくなりました。安いので仕方ないと諦めます。
- なかっぺ17
- 商品を使用して1ヶ月くらいで左の音声が聞こえなくなりました。 お値段は安いですが、もう少しもちがよければよかったです。
- kuripoco
- 装着に手間取りましたが、ボロボロになったお気に入りのヘッドホンが甦りました。 イヤーパッドにもカバーを着けているので、元の色(キャメル)が全くなくなりましたが、これでまだ当分使えそうです。他の色もあれば嬉しいです。
- きょお
- ヘッドホンの頭部にするカバーとしてすこしダブついた大き目の仕上がりでスマートな着け具合ではありません 伸縮性もあるのでもう少し狭めでもよいのではと思います
- mash3501
- 仕事でもプライベートでも持ち歩いてるので 鉄板やゴミがたまったりしてたので ちょっとでも目立たなくおしゃれになればと 思い購入しました。 おしゃれにワンポイントカラーになって とてもよかったです。
- よろずやフハイ
- リピートしました。1度他社のものを買いましたが納得のいく物が届かず、結局こちらでの購入になりました。 またお世話になろうと思います。 ホワイトがなかったのが 残念でした。
- まぁぼぉ0601
- 迅速な配達でよかったです。フィルムも貼りやすかったです。
- nakata112
- audio-technica の ATH-M30 に取付けました。 カバーの端が若干きつく、中央部が緩めでしたが画像の通りに収まりました。ヘッドカバーの内側は、長さはピッタリですが少し凸凹になり、外側の端が若干浮きます。取付けはヘッドカバーの細い所でジッパーをはめ、位置を直した所でジッパーを閉めるとうまく装着できました。
- taishou8350
- 皆さんのおっしゃる通り張り方は苦労しました。 ピンクゴールド購入ですが、高級感があって気に入っています。 ありがとうございます。
- Coperi
- やわらくて壊れにくそうです。もう少し安いと更に良いですね。
- 総1郎
- これを使ってまだ走ったことはないですが、イヤホンを落とさないために購入しました。 デザインがおしゃれなので気に入っています。
- ノコロコ
- カバーをつけるともっとごわごわしたり圧迫感が出るかと思っていたのですが違和感なく使用できました。
- ガマダスママ
- 中々発送してもらえず、確認の電話をしたところ キレ気味にではキャンセルしますか?? と言われました。医療現場で使用する為に発生しているのに、コチラが早く欲しがっている足元をみて キャンセルしますか? という大変不誠実な対応をされ悲しく大変残念におもいました。
- フレディ&メイ
- ピンセットを使って貼りました! 上下わかりづらかったので貼り直ししましたが、貼り付け直せば問題なかったです。 蓋を閉めると若干浮きますが、私はケースを付けているので違和感なく使用できます。
- SWK
- 今までは小さい綿棒の様なもので掃除していましたが、こちらを使用しみてたら掃除能力が大幅に改善しました 綿棒では取れない汚れが取れました とても満足
すべて見る
お店の情報
7,367
連絡・応対
4.3
配送スピード
4.3
梱包
4.3










