キッチン水栓 TOTO 分岐 TKGG31EH シングルレバー Amazon.co.jp: TOTO キッチン用水栓 分岐金具付き TKGG31EH : DIY
(2381件)
Pontaパス特典
サンキュー配送
6000円(税込)
60ポイント(1%)
Pontaパス会員ならさらに+1%ポイント還元!
送料
(
)
2362
配送情報
お届け予定日:2026.04.18 8:44までにお届け
※一部地域・離島につきましては、表示のお届け予定日期間内にお届けできない場合があります。
ロットナンバー
50126253097
お買い物の前にチェック!
Pontaパス会員なら
ポイント+1%
ポイント+1%
商品説明












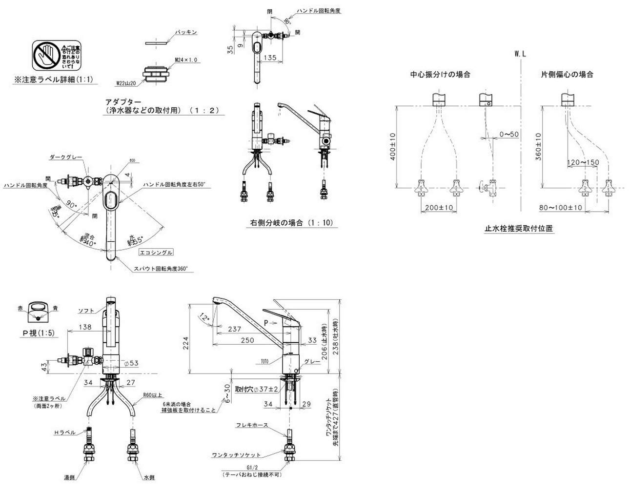
購入後3年ほど使用し、取り外した物になります。\r取り外し前は問題なく使用して物です。\r\r付属品は本体、分岐水栓となります、詳細は画像をご覧ください。\r取り付けに必要な工具は六角レンチになりますのでご用意下さい。\r\r上記内容にご理解の上、お買い上げ下さい。
| カテゴリー: | キッチン・日用品・その他>>>浄水器・整水器>>>蛇口用浄水器 |
|---|---|
| 商品の状態: | やや傷や汚れあり","目につく傷や汚れがある |
| ブランド: | TOTO |
| 配送料の負担: | 送料込み(出品者負担) |
| 配送の方法: | 佐川急便/日本郵便 |
| 発送元の地域: | 茨城県 |
| 発送までの日数: | 2~3日で発送 |
レビュー
商品の評価:




4.3点(2381件)
- ふふふ1966
- 今では気にせず蛇口からでる水道水を飲んでいましたが子供が産まれたのでとりつけました!!とりつけも難しくなく塩素のニオイや味も全然なくなったので買って大満足です☆もっと早く買えばよかった〜と思いました(^O^)
- hughugsun
- 安く購入することができました!商品もすぐに届き、満足です!
- スパまま0226
- 以前はトリムから購入してましたが、こちらからだとポイントも10倍なのでお得です。これからもお世話になります。
- ホッファ
- 小さいサイズのミルク缶くらいで、吊り棚に置いてみましたが、存在感が無いくらいです。 コックもシンプルで小さく使いやすい。 肝心の水ですが、我が家は水道管が古く、原水だと、鉄の味、うっすら黄色の水ですが、浄水すると、色も味も綺麗です。
- hana0804
- なかなかこの手の商品はお店で見つけるのが困難なのでいつも通販で購入します
- 05hal
- サイズも大きすぎず、我が家の狭いキッチンでもコーナースペースに楽々置けました。色はちょっと迷いました。乳白色があったら更に良かったですが、ナチュラルな感じにしたかったのでイエローに。優しい感じで邪魔にならないお色でした。お水も美味しいし満足です。2人家族なのでカートリッジの取り替えも1年後でいいので手間いらずです。
すべて見る
お店の情報
7,367
連絡・応対
4.3
配送スピード
4.3
梱包
4.3










