日産 Y31 グロリア セドリック 配線図 ニッサン セドリック グロリア 1981年版 回路図・配線図集 - メルカリ
(2276件)
Pontaパス特典
サンキュー配送
6960円(税込)
70ポイント(1%)
Pontaパス会員ならさらに+1%ポイント還元!
送料
(
)
2262
配送情報
お届け予定日:2026.04.21 14:14までにお届け
※一部地域・離島につきましては、表示のお届け予定日期間内にお届けできない場合があります。
ロットナンバー
501263833
お買い物の前にチェック!
Pontaパス会員なら
ポイント+1%
ポイント+1%
商品説明










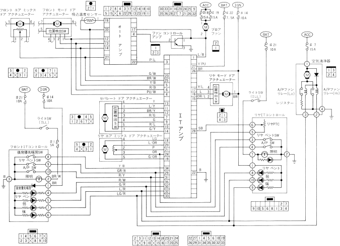
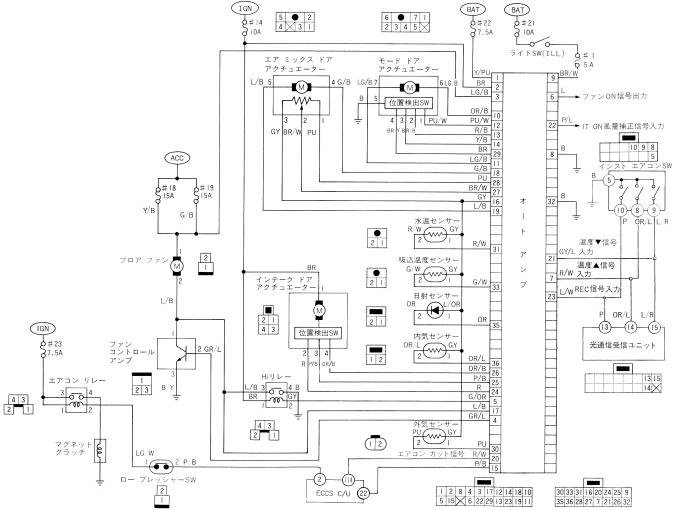
日産 ニッサン NISSANY31型 グロリア セドリック配線図表紙は色褪せがありますが中身は使用には問題ありません画像にて判断していただき3Nにてお願いします。VIP GT グランツーリスモ SVクラシック セダン
| カテゴリー: | 車・バイク・自転車>>>アクセサリー>>>カタログ・マニュアル |
|---|---|
| 商品の状態: | 傷や汚れあり","多くの人が見てわかるような傷や汚れがある |
| ブランド: | 日産 |
| 配送料の負担: | 着払い(購入者負担) |
| 配送の方法: | クロネコヤマト |
| 発送元の地域: | 神奈川県 |
| 発送までの日数: | 4~7日で発送 |
レビュー
商品の評価:




4.5点(2276件)
- チャー4978
- 本体とセットで購入。値段的に高いかな?と思いましたが…やはり本体を守るためにも必要かなと思いました。
- pionin
- 意外とつけてみたら重さがあったので、 AirPods自体に軽さが特徴であるので、ストレス感じる人もいるかも。 自転車乗る時用などとして使い分けたいと思います。 色や、マグネット式などは説明通りでした。
- yu_u_ri mizoguti
- イヤホンの細かいところの掃除がこれ一本でできる便利ツールです。 充電ケースの奥の穴を掃除する柔らかいブラシ付きスポンジ、イヤホンの溝や網部分についたほこりや耳垢を書き出すブラシ、イヤホンにある穴に詰まったゴミを書き出すペン先の3種でイヤホンの細かいところまで掃除が可能です。 試しに発売してからずっと使っているAirPods(第2世代)を掃除してみたら、網の部分からドロドロになったものが出るわ出るわ……ちゃんとウェットティッシュや綿棒で掃除を時々してたのですけどね。こんなの耳に入れてたんだと軽く怖くなりました。(写真のAirPodsではないです。汚すぎてお見せできなかったので) 表面上はウェットティッシュで拭いてやれば掃除できた気になりますが、意外と汚れているものです。 耳の病気になりかねませんからイヤホンの清掃をもっとちゃんとやろうと思います。
- timtam0365
- 同じような商品があり悩みましたが、 ストラップが丈夫そうで良い商品だと思います。
- びきにねこ
- コスパ良く普通に利用できる良いお品です。
- sorasun
- 半額だったので、試しに購入しました。 取り付けなどはしやすく、クリアだと目立たないので良いと思います。 ただ女性の耳には大きく浮いてしまうので、外れないか心配になります。 サイズ展開があると良いと思いました。
すべて見る
お店の情報
7,367
連絡・応対
4.3
配送スピード
4.3
梱包
4.3










