LUXMAN ラックスマン LUXKIT A3500 LUXMAN|LUXMAN / LUXKIT A3500|【ハードオフ公式通販】オフモール
(2340件)
Pontaパス特典
サンキュー配送
33000円(税込)
330ポイント(1%)
Pontaパス会員ならさらに+1%ポイント還元!
送料
(
)
2322
配送情報
お届け予定日:2026.04.13 22:22までにお届け
※一部地域・離島につきましては、表示のお届け予定日期間内にお届けできない場合があります。
ロットナンバー
6532783607
お買い物の前にチェック!
Pontaパス会員なら
ポイント+1%
ポイント+1%
商品説明












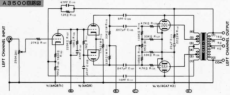
長期保管品(年に10回位使用)音だし確認済みです。ガリ、ノイズなし。バランス、R、L正常10年以上前メーカーにて点検、調整交換のメンテナンスを行いました。使用真空管 6CA7、松下6AQ8松下予備6CA7、ウエステングハウス4本長期保管未使用品です。6AQ8、松下3本中古品上記の出音は測定器での計測ではありません、個人の確認レベルです。ご理解ある方宜しくお願いします。
| カテゴリー: | テレビ・オーディオ・カメラ>>>真空管アンプ>>>その他 |
|---|---|
| 商品の状態: | 目立った傷や汚れなし","細かな使用感・傷・汚れはあるが、目立たない |
| 配送料の負担: | 送料込み(出品者負担) |
| 配送の方法: | 佐川急便/日本郵便 |
| 発送元の地域: | 静岡県 |
| 発送までの日数: | 2~3日で発送 |
レビュー
商品の評価:




4.4点(2340件)
- ZZR1400love
- コンパクトな大きさです。音は良く出ています。低音はやや足りない感じです。 高音は結構よく出ています。たいへん満足しました。
- すぴなべ2428
- 【デザイン】ヤマハらしくシンプルで、綺麗な作りです。 シャンパンゴールドは黒より、威圧感が無く、リビングに自然に馴染みます。 躯体が大きすぎるので、小型化を考えて欲しいと思います。 【操作性】AndroidやApple系の操作アプリが充実しているので、 リモコンや本体操作は、ほとんど必要としません。 アプリは直感的に操作出来るので、よく出来てます。 【音質】様々な設定ができるので、どのような音源にも対応できるので、 楽しめます、ヤマハのDSPは歴史もあるので、完成されたいきに有ります。 音場測定もマルチポイント測定で、ほぼ完璧な設定になります。 【パワー】必要に十分です。 【機能性】多機能で楽しみながら使用できます。 AMやFMラジオは不要ですね。 【入出力端子】HDMI端子は、後2個程度ほしいです。 【サイズ】大きすぎで、ラックに何とか入れえました。 【総評】他のメーカーも検討しましたが、この機種にして正解でした。 AVアンプはヤマハがトップだと思います。下位機種も考えましたが、このクラスにして 正解でした。
- tkr19
- 光るDAMロゴが高級感があり、かっこいいです。 マイナーチェンジ前のモデルから、ヘッドホン出力が追加され、中央のラインもゴールドになりました。 音質はそれなりですが、2パターンのイコライザもありますし、満足です。 BOSEのスピーカーを繋げば、気分はカラオケボックスです。
- whiteland
- 安く、仕上がりも綺麗であり、要望していた性能にも充分で有り、大変満足しています。
- セイジ503
- いままで大きなアンプをつかっていましたが、 とても小さくていいです。 スイッチがこちらのタイプがわかりやすくて 買ってよかったです。
- ぼんすけ10
- 届いた時は想像していたよりもずっと小さかったので大丈夫かと心配になりましたが、古いスピーカーにつなげたところいい音がなったので嬉しかったです。値段も手ごろでお買い得だと思いました。満足しています。
- satomn
- 形は小さく少し不安でしたが、PC内の音楽を聴くには十分です。 イコライザーを通しての使用ですが、レコードプレーヤーからの音源はノイズが気になります。使用感は値段から言えば満足です。
- denpachi23
- マニアでもなく、音質にこだわる人間じゃないのですが、手元でボリュームを変えれるのはいいなと思い購入しました。 使ってみたところ、素で聴くより結構、よく聴こえるじゃありませんか。 これは、結構いいです。乾電池で使えるのも私にとってはお手軽でいいですね。
- シェアー0614
- 物が届いたので、12時間使ってみました? デザインは、ギターのエフェクターみたいな? 使用中は、ボリュームが青く光ってます、意外といいですw 音は、まあそれなりなのでしょうか? 高いアンプと、良いスピーカーで鳴らしている人には? 物足りないかもしれません? 今使っている、モニタリング用のスピカーは、良く鳴らしてくれます? モニタースピーカーヤマハ、アンプは、ソニーでしたが? このアンプで鳴らしても?ほとんど、変わりません?
- 竹の子888
- JBLのアクティブスピーカーと迷いましたが、使ってないBOSE101MM用に購入しました。 YOU TUBEなどで検討しましたが、クリアーな音で大満足です。レビューを書けば別売りのACアダプターも付いてくるし送料も無料だし文句なしです!!
すべて見る
お店の情報
7,367
連絡・応対
4.3
配送スピード
4.3
梱包
4.3










